產品類別:振動篩分機
產品簡介:本品為直徑800mm型二層三出口全不銹鋼振動篩,子母雙層網分離式網架,整機為304不銹鋼材質。彈簧外圍加304不銹網裙邊。全不銹鋼振動篩主要用于:食品行業、醫藥行業、化工行業較多。
免費獲取報價
全國統一銷售熱線
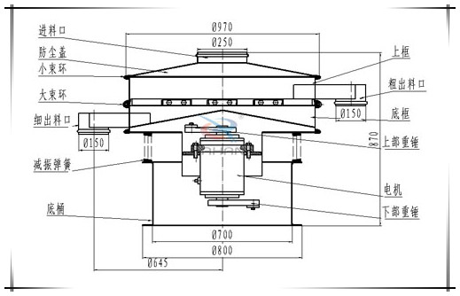
DH-800-2S全不銹鋼振動篩為800mm直徑兩層三個出料口不銹鋼旋振篩,子母雙層網分離式網架,整機為304不銹鋼材質。

關于“振動篩”:這個名稱是所有振動篩分設備類產品的總稱,確切點講這種圓形的振動篩根據相關標準叫“旋振篩”,由于其振動運轉原理很多企業也稱之為“三次元振動篩分過濾機”。
關于“大漢牌振動篩”:"大漢"DH系列振動篩產品,經客戶多年使用,獲得大量的一線反饋建議,在自有成熟的篩機制造技術基礎上,大漢機械工程師以滿足客戶需求為標準,多次技術改進,篩分效果更加優越,采用"通用"新型動力激振器,三維動力更加突出,適用范圍更加廣泛,大漢機械公司可根據客戶需求設計特殊型號,無論物料是干是濕,是精細是粗糙,是比重大是比重輕,0-400目都可以篩選,不管是液態,還是漿狀的0-600目都可以過濾。"大漢"旋振篩系列產品同時配備專門的篩網清理裝置,把堵網率降到低,過網率和處理精度得以有效提高。"大漢"具備特殊型號制造的能力讓顧客對"大漢"有更多的選擇。


☆ 效率高、設計精巧耐用,粉類、粘液均可篩分。
☆ 換網容易、操作簡單、清洗方便。
☆ 網孔不堵塞、粉末不飛揚、可篩至400目或0.028mm。
☆ 雜質、粗料自動排出,可以連續作業。
DH-800-2S全不銹鋼振動篩外形尺寸:



振動篩用與原理:基本原理由直立式振動電機作為激振源,電機上、下兩端安裝有偏心重錘,將電機的旋轉運動轉變為水平、垂直、傾斜的三次元運動,再把這個運動傳遞給篩面。調節上、下兩端的相位角,可以改變物料在篩面上的運動軌跡。

化工行業:樹脂、涂料、工業藥品、化妝品、油漆、中藥粉等。
食品行業:糖粉、淀粉、食鹽、米粉、奶粉、豆漿、蛋粉、醬油、果汁等。
金屬、冶金礦業:鋁粉、鉛粉、銅粉、礦石、合金粉、焊條粉末、二氧化錳、電解銅粉、電磁性材料、研磨粉、耐火材料、高嶺土、石灰、氧化鋁、重質碳酸鈣、石英砂等。
公害處理:廢油、廢水、染整廢水、助劑、活性碳等。

1.保修期內非因操作不當造成需要更換的零配件及設備由我廠負責包修、包換。
2.質量保證期結束后,我廠將繼續免費提供售后服務,不限年份終身服務,僅收取零部件成本費,免收人工費,免收維修費。
為了向您提供完善的售后服務,請將您的寶貴意見、建議及要求反饋給我廠。我們感謝貴單位使用我廠的產品,我廠建立有完整的營銷網絡及完善的售后服務體系,售后服務部已將您購買的產品建立了信息檔案。如果您購買的產品出現質量問題,我們將及時為您提供全方位的服務。
Copyright ©right 2007-2020 新鄉市大漢振動機械有限公司 All Rights Reserved 版權所有
備案號:豫ICP備09002479號-7

